Барашек поясничного упора УАЗ

Барашек поясничного упора УАЗ

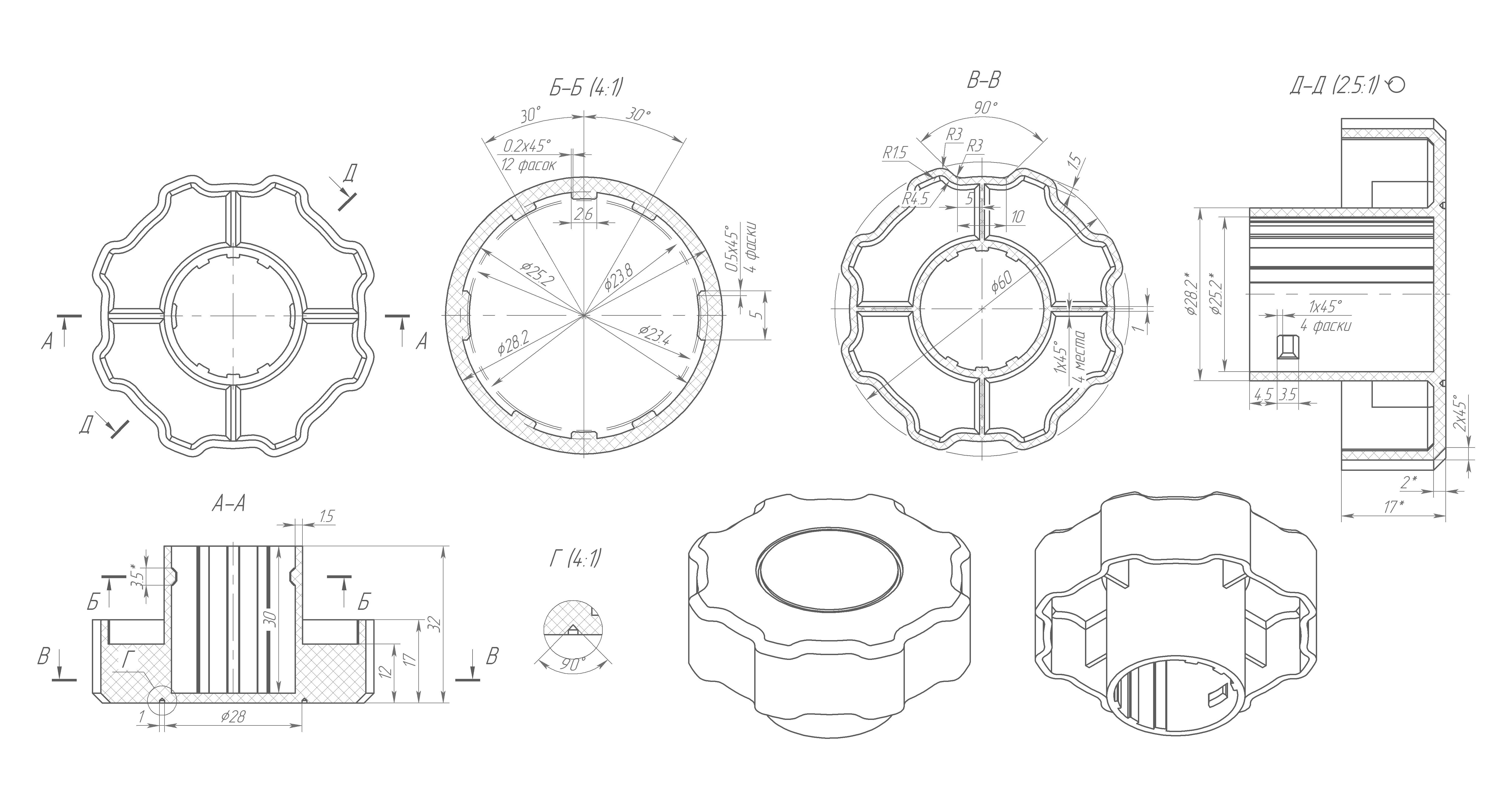
Собственно чертеж, если кто-то бахнет лишнего пивка и решит повторить. Мог не всё указать. Модель для печати выложил здесь.

А дело вот в чём. Крутил я эту шнягу раза четыре, не больше. На прошлой неделе решил покрутить в пятый раз, но барашек отвалился. Сунул, не глядя, на место, но он опять отвалился. На семнадцатой попытке стало ясно, что произошло непоправимое. Глубинный анализ причин случившегося показал - осевая сила, создаваемая полиуретановой подушкой сиденья, выталкивает барашек нахрен. Для осевой фиксации барашка предусмотрены пупырики, которые садятся в пазы ответной детали, которая вставлена в сиденье. А радиальное усилие, чтобы вращать упор, передается с помощью шлицев.

Короче, по фотографии не очень понятно, но цилиндрическая часть барашка со шлицами и пупыриками стала по каким то причинам пьяноэллиптической. На вид пупырики не слизаны, шлицы тоже. В общем пох. Пришлось быстренько изобразить этот барашек и нахлобучить на место. Размеры снял дедовскими методами. Никак не могу привыкнуть к тому, что в моём распоряжении есть сканер. Ну и само собой сделал сразу несколько вариантов из разных пластиков, разными оттенками серого, а на один из экземпляров даже колечко прилепил. Но это баловство. Поставил чёрный глянцевый.

К этой заметке пока нет комментариев

* Обязательно для заполнения

Заметки

  1. Ничего лишнего

    Ничего лишнего

  2. Гаражный поп

    Гаражный поп

  3. Вспомнил - и полегчало

    Вспомнил - и полегчало

Комментарии

  1. Комментарии к заметке Тату-холдер

    Гость

  2. Комментарии к заметке Массажные столы с электроприводом

    crymile

  3. Комментарии к заметке 3D проектирование

    XBot

О сайте

О чем этот сайт? Скажем так, это не совсем блог, далеко не визитка и уж тем более не магазин. Этот сайт о том, чем я занимаюсь и как я этим занимаюсь. Сайт о ремесле. Авторизация.